8寸高清液晶屏(1024*768)
2021-03-09 17:24:52
產品特點:
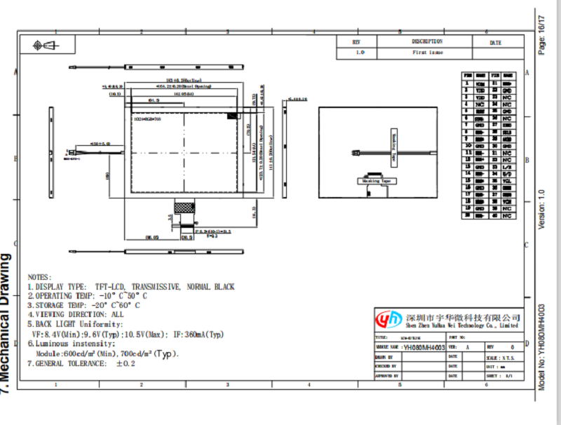
品名: 8寸高清液晶顯示屏
型號: YH080MH4003
分辨率: 1024*768
亮度: 350
可視角度: 85/85/85/85
接口: LVDS 40
工作溫度: -10 60
儲存溫度: -20 70
上一篇:9.7寸高清液晶屏(1024*768)
下一篇:9寸普清液晶屏(800*480)
